コア技術を磨き、時代や嗜好の変化に対応する“価値創造型研究開発”
「革新と挑戦と夢」を掲げる紀文では、お客さまによりご満足いただくために、様ざまな研究開発に取り組んでいます。
その先進的な姿勢で、「練り製品を包装して販売すること」「冷凍すり身を研究し導入すること」を実現化し、一定の品質を保ちながら、全国に商品を供給することを業界に先駆けて実行しました。
さらには、多面的な技術領域をベースにして、原材料・生産技術・衛生管理技術などの研究を推進し、また、“食の”味覚・栄養・機能性についての研究を進めた結果、数多くの特許やノウハウを生み出してきました。
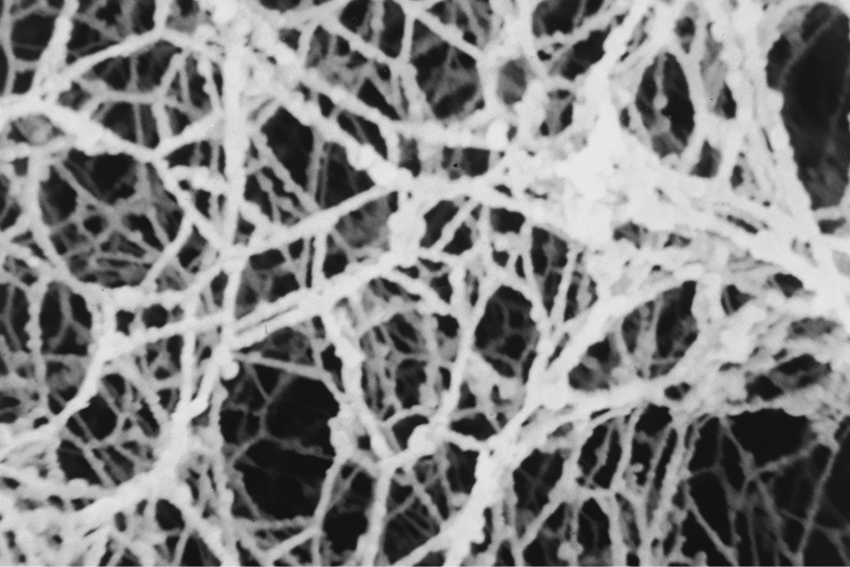
研究員が撮影に成功した、「蒲鉾の網の目構造」の写真
連綿と続く、すり身の研究
そして、いま、代々の研究員から受け継がれてきたタンパク質への飽くなき探求、お客さまが求める商品の健康価値と食の安心・安全にお応えするため、「タンパク特性・加工研究」、「健康に関わる食品機能研究」を中心として、基礎研究や応用技術の開発・研究を進めています。



